
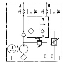
1.液壓系統(tǒng)壓力:130-180bar
2.液壓油箱體積:20L
3.液壓泵排量:2.1cc/r
4.電機功率:2.2KW, AC220V
5.電機轉速:2850r/min
6.功能:單作用
7.顏色:默認紅色/白色塑料
8.安裝方式:立式
9.油箱材料:鐵皮(1-1,5mm),工程塑料
10.應用場合: 大型車輛的維修

**為電磁換向閥電壓
手機:0533-3142858
電話:18615115678
郵箱:sdgl2858@126.com
地址:山東淄博市張店區(qū)灃水鎮(zhèn)東高村工業(yè)園
廠家品牌:山東國立液壓
公司模式:生產廠家
加工方式:來圖定制
銷售批量:一臺
產品價格:在線報價
產品簡介:
銷售區(qū)域:江蘇,山東,廣東,浙江,安徽,河北,河南,四川,遼寧,湖北,蘇州,深圳,杭州,北京,無錫,成都,濟南,鄭州,上海,青島,菏澤
產品標簽:

1.液壓系統(tǒng)壓力:130-180bar
2.液壓油箱體積:20L
3.液壓泵排量:2.1cc/r
4.電機功率:2.2KW, AC220V
5.電機轉速:2850r/min
6.功能:單作用
7.顏色:默認紅色/白色塑料
8.安裝方式:立式
9.油箱材料:鐵皮(1-1,5mm),工程塑料
10.應用場合: 大型車輛的維修

**為電磁換向閥電壓

yle="width: 482px; height: 482px;" />